Product Summary
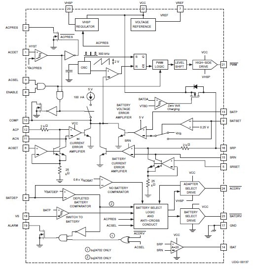
The bq24703 is a highly integrated battery charge controller and selector tailored for notebook and sub-notebook PC applications. The bq24703 uses dynamic power management (DPM) to minimize battery charge time by maximizing use of available wall-adapter power. This is achieved by dynamically adjusting the battery charge current based on the total system (adapter) current. The bq24703 uses a fixed frequency, pulse width modulator (PWM) to accurately control battery charge current and voltage. Charge current limits can be programmed from a keyboard controller DAC or by external resistor dividers from the precision 5-V, ±0.6%, externally bypassed voltage reference (VREF), supplied by the bq24703.
Parametrics
BQ24703 absolute maximum ratings: (1)Supply voltage range: VCC: -0.3 V to 30 V; (2)Battery voltage range: SRP, SRN: -0.3 V to 30 V; (3)Input voltage: ACN, ACP: -0.3 V to 30 V; (4)Virtual junction temperature range, TJ: -40℃ to 125℃; (5)Maximum source/sink current VHSP: 50 mA; (6)Maximum ramp rate for VCC: 10 V/ μs; (7)Maximum sink current ACPRES, COMP, ALARM: 2.5 mA; (8)Maximum ramp rate for V(BAT): 10 V/ μs; (9)Maximum source/sink current BATDRV: 10 mA; (10)Maximum source/sink current ACDRV: 10 mA; (11)Maximum source/sink current PWM: 50 mA; (12)Maximum source/sink current pulsed ACDRV, (10-μs rise time, 10-μs fall time, 1-ms pulse width, single pulse): 50 mA; (13)Maximum source current VREF: 30 mA; (14)Maximum source current SRP: 100 mA; (15)Maximum difference voltage SRP . SRN: 30 V; (16)Storage temperature range Tstg: -65℃ to 150℃; (17)Lead temperature (soldering, 10 seconds): 300℃.
Features
BQ24703 features: (1)Dynamic Power Management, DPM Minimizes Battery Charge Time; (2)Integrated Selector Supports Battery Conditioning and Smart Battery Learn Cycle; (3)Zero Volt Operation; (4)Selector Feedback Circuit Ensures Break-Before-Make Transition; (5)±0.4% Charge Voltage Accuracy, Suitable for Charging Li-Ion Cells; (6)±4% Charge Current Accuracy; (7)300-kHz Integrated PWM Controller for High-Efficiency Buck Regulation; (8)Depleted Battery Detection and Indication to Protect Battery From Over Discharge; (9)20-μA Sleep Mode Current for Low Battery Drain; (10)24-Pin TSSOP Package and 5 mm × 5 mm QFN package (bq24703 only).
Diagrams

| Image | Part No | Mfg | Description | ![]() |
Pricing (USD) |
Quantity | ||||||||||||
|---|---|---|---|---|---|---|---|---|---|---|---|---|---|---|---|---|---|---|
![]() |
![]() bq24703 |
![]() Other |
![]() |
![]() Data Sheet |
![]() Negotiable |
|
||||||||||||
![]() |
![]() BQ24703EVM |
![]() Texas Instruments |
![]() Power Management IC Development Tools BQ24703 Eval Mod |
![]() Data Sheet |
![]()
|
|
||||||||||||
![]() |
![]() BQ24703PW |
![]() Texas Instruments |
![]() Battery Management Multi-Chemistry Charge Controller |
![]() Data Sheet |
![]()
|
|
||||||||||||
![]() |
![]() BQ24703PWG4 |
![]() Texas Instruments |
![]() Battery Management Multi-Chemistry Charge Controller |
![]() Data Sheet |
![]()
|
|
||||||||||||
![]() |
![]() BQ24703PWRG4 |
![]() Texas Instruments |
![]() Battery Management Multi-Chemistry Charge Controller |
![]() Data Sheet |
![]()
|
|
||||||||||||
![]() |
![]() BQ24703PWR |
![]() Texas Instruments |
![]() Battery Management Multi-Chemistry Charge Controller |
![]() Data Sheet |
![]()
|
|
||||||||||||
![]() |
![]() BQ24703RHDR |
![]() Texas Instruments |
![]() Battery Management Multi-Chemistry Charge Controller |
![]() Data Sheet |
![]()
|
|
||||||||||||
![]() |
![]() BQ24703RHDRG4 |
![]() Texas Instruments |
![]() Battery Management Multi-Chemistry Charge Controller |
![]() Data Sheet |
![]()
|
|
||||||||||||
(China (Mainland))












